LG GGW-H20L (Blu-ray Rewriter/HD DVD-ROM)

LG continues to offer hybrid drives that read both Blu-ray and HD DVD and one such model, the LG GGW-H20L has finally reached us. Similar to the GGC-H20L that we had reviewed late last year, this optical drive adds Blu-ray write functionality at an unprecedented 6x speed.

ntroduction

As a main advocate of the format, Sony is often synonymous with Blu-ray and the recent triumph of the HD format over HD DVD has added much gloss to Sony's image, especially its Blu-ray equipped PlayStation 3 console. However, it may not seem that way if one browses our Optical Storage reviews. While we have reviewed a couple of Sony Blu-ray drives, the specifications on these drives don't exactly keep up with the other major Blu-ray manufacturer that's aggressively introducing its products into the market here - LG.

Consistently pushing the envelope for optical drives in recent times, LG's joint venture with Hitachi Data Storage has produced combo drives that read both Blu-ray and HD DVD, while at the same time, breaking the barrier for Blu-ray write speeds. We have already seen one such hybrid drive recently, the GGC-H20L, which could read both HD formats but only write to DVD and CD media. Obviously, with the format war officially over, there's less of a need for these hybrid drives but since the technology has been developed, why not use it? In fact, LG has just sent us a Blu-ray writer capable of writing to Blu-ray media at 6x, making it the fastest now in the market, surpassing the 4x versions that are available from Pioneer and Sony.

In this region at least, LG seems to be one of the more active manufacturers pushing Blu-ray drives, though in its case, its products are often hybrid drives that support HD DVD too.

In this region at least, LG seems to be one of the more active manufacturers pushing Blu-ray drives, though in its case, its products are often hybrid drives that support HD DVD too.

The LG GGW-H20L

For those who have been keeping track of developments in the optical storage scene, you would have noticed the physical similarities between this GGW-H20L with the GGC-H20L that we had previously reviewed. The difference between the two lies in the Blu-ray writing capabilities of the GGW-H20L, which is missing in the GGC-H20L. In case you didn't know, the 'L' at the end of the model name means that the drive also supports LightScribe technology, for those who like to custom their own unique DVDs with printed labels.

Unlike the futuristic front bezel found on Sony's recent Blu-ray drives, the LG drive here looks more ordinary.

Unlike the futuristic front bezel found on Sony's recent Blu-ray drives, the LG drive here looks more ordinary.

Nothing like switching to the SATA interface to greatly reduce the clutter at the back of the drive.

Nothing like switching to the SATA interface to greatly reduce the clutter at the back of the drive.

There's no foam padding of any kind to dampen the noise from the drive but overall, it was relatively quiet.

There's no foam padding of any kind to dampen the noise from the drive but overall, it was relatively quiet.

The physical similarities in the design and build extend to the specifications, with the GGW having the same read and write speeds as the GGC, with the addition of up to 6x BD-R writing functionality on the GGW (only for single layer BD-R). It does support writing to both single and dual layer Blu-ray media. It's also a SATA drive, like most new optical drives and it is also as quiet as the GGC. In our burning tests, there was only a low hum and vibration when writing to media and the noise level was more than acceptable to users.

Besides the requisite Blu-ray/HD DVD playback software (a CyberLink OEM version made for LG), you will also find the following items in the retail package. There's no spare front bezel for those who dislike the default black on the GGW-H20L however.

  • LG BD Rewriter & HD DVD-ROM Drive Solution
  • User manual
  • Serial ATA cable (power/data)
  • Blank BD-RE (single layer) disc
  • Mounting screws

Blu-ray, HD DVD-ROM & DVD-ROM Benchmark

First, we start off with some figures to better understand the read capabilities of the LG GGW-H20L using Nero DVD Speed found on the latest Nero 8.3.2.1. This is tested with two commercially pressed DVD-ROMs (a single-layer and a dual-layer), four recordable DVD media (DVD-R. DVD-RW, DVD+R and DVD+RW), a single layer commercially pressed Blu-ray movie (House of Flying Daggers) and a single layer commercially pressed HD DVD-ROM movie (Black Snake Moan).

While the read speeds for the Blu-ray media on the GGW-H20L did not reach its theoretical maximum, it was still a decent average of more than 3x on our test media. HD DVD-ROM read speed was lower but that was in line with its more modest read specifications. Notably, the CPU usage for HD formats were extremely low, which is good. However, reading DVDs had a higher CPU utilization rate than the typical DVD drive, which while not the best of news, were expected as this issue had similarly afflicted the GGC-H20L. Seek times on the average were also significantly higher on HD DVD, though it does seem to be a fluke given the other results.

DVD Decrypting and Additional Information

A free and popular utility used by many to decrypt original DVDs and hence backup the contents onto a computer's hard drive, DVD Decrypter has unfortunately succumbed to the pressure of a certain company whose technology it was circumventing and has since ceased development. There will not be a new version but the last such release, v3.5.4.0 remains in the wilds of the Internet if you should need such a program. While there are other commercial solutions, it is still one of the best and of course, free.

The LG GGW-H20L took more than 17 minutes to rip our DVD, which is almost exactly similar to the GGC-H20L.

The LG GGW-H20L took more than 17 minutes to rip our DVD, which is almost exactly similar to the GGC-H20L.

Designed and manufactured by Hitachi/LG in January this year.

Designed and manufactured by Hitachi/LG in January this year.

Burning Benchmark

In this segment, we will be testing the write speed of the LG GGW-H20L for the various media below. This is a gauge of how this drive stacks up against the competition.

2x / 4x BD-R / RE

Brands of Media used: -

  • LG 2x BD-RE
  • Verbatim 2x BD-R
  • Verbatim 4x BD-R
LG provided us with these Verbatim 4x BD-R media, which turned out to be capable of going up to 6x write speed on the GGW-H20L.

LG provided us with these Verbatim 4x BD-R media, which turned out to be capable of going up to 6x write speed on the GGW-H20L.

4x DVD+/-RW / DVD+R DL

Brands of Media used: -

  • SmartBuy 4x DVD+RW = PRODISCW02
  • Verbatim 4x DVD-RW = MCC01RW4X
  • Verbatim 2.4x DVD+R DL = MKM001

6x DVD-RW / 8x DVD+RW

Brands of Media used: -

  • Memorex 8x DVD+RW = RITEK008
  • MKM 6x DVD-RW = MKM 01RW6X01

We weren't sure that there was even Blu-ray media that supported the LG's 6x write speed but apparently one could overspeed the Verbatim 4x BD-R provided to us by LG and reach such unprecedented speeds. Looking at the differences between 2x and 6x, one can save at least 20 minutes of time by writing it at the higher speed. When it came to the conventional DVD formats, the GGW-H20L was quite ordinary, returning results that were rather similar to the GGC-H20L and surprisingly failed to burn our dual layer DVD+R media at the maximum 4x speed.

Additional Burns

Besides the standard set of media used to determine the write performance of any given DVD writer, another mode of test we conduct for a comprehensive assessment of DVD writers is to feed the drive with all available media at point of testing to get a better overview of media compatibility. Understanding a drive's media compatibility is especially important for anyone looking to purchase a writer. In addition, we can also determine the brand of media that would allow 'OverDrive' or 'OverSpecification' writing. Since the media used in this section are used on a basis of availability at point of testing, formal write comparisons between drives will not be made here. Since the LG GGW-H20L has the specifications of a typical 16x DVD writer, Blu-ray and HD DVD support notwithstanding, we have tested it with our usual selection of DVD media.

16x DVD+/-R

  • Sony 16x DVD-R = SONY16D1
  • Sony 16x DVD+R = SONYD21
  • Maxell 16x DVD+R = RITEKF1
  • Fujifilm 16x DVD+R = PRODISCR05
  • Maxell 16x DVD-R = RICOHJPNR03
  • Fujifilm 16x DVD-R = PRODISCF02

8x DVD-/+R and DVD-R DL

  • Verbatim 8x DVD-R = MCC02RG20
  • Verbatim 8x DVD+R = MCC003
  • TDK 8x DVD+R = RICOHJPNR02
  • Verbatim 4x DVD-R DL = MKM01RD30

In terms of writing speeds, the GGW-H20L was competent and did about as well as any typical 16x DVD writer. Like the GGC-H20L however, it was unable to write to the Maxell 16x DVD+R at its maximum 16x speed, so consumers who are considering these series of LG writers may not want to purchase this particular brand of media. The GGW-H20L was also unable to write the other dual layer disc we tested, the Verbatim 4x DVD-R DL at its rated speed. Taken together with our earlier test, we have to wonder if dual layer writing is a weakness of this drive, though two examples are probably too small a sample size.

Quality Check and Scans

KProbe2 is one of the frequently used applications employed for testing readability of written discs. Written by a former employee of LITE-ON (though not in an official capacity), it works naturally on LITE-ON optical drives and helps to give a numerical value to the burn quality of a DVD. This is expressed through the amount of PI (Parity Inner) and PIF (Parity Inner Fail) errors found on the written disc and there is a certain amount of correlation between these values and the write quality of the drive on the various media that we tested. As a rough gauge of the write quality, the average values for PI and PIF for a readable disc should not be more than 280 and 4 respectively.

While the values returned by KProbe 2 are certainly useful for assessing the readability of a written media and the DVD writer that was used to write the disc(s), we must stress again that the average PI and PIF values should be taken as just an indicator; a disc with a less than ideal value may be read without any problems on a drive. What worked on one drive might not necessarily work on another (not to mention that disc quality variation may occur as well).

Manufacturer / Speed
Disc ID
PI Average
PIF Average
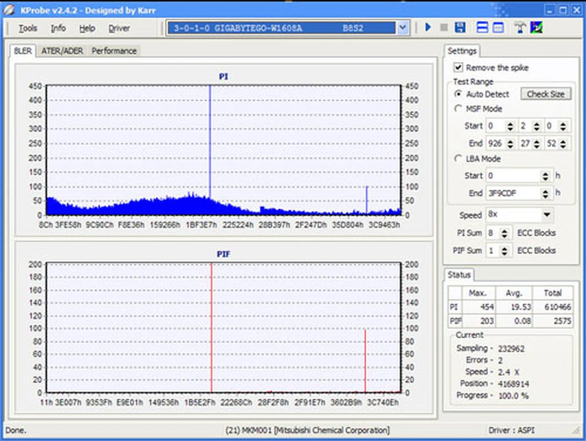
Verbatim 2.4x DVD+R DL
MKM001
19.53
0.08
Verbatim 4x DVD-R DL
MLM01RD30
14.64
0.07
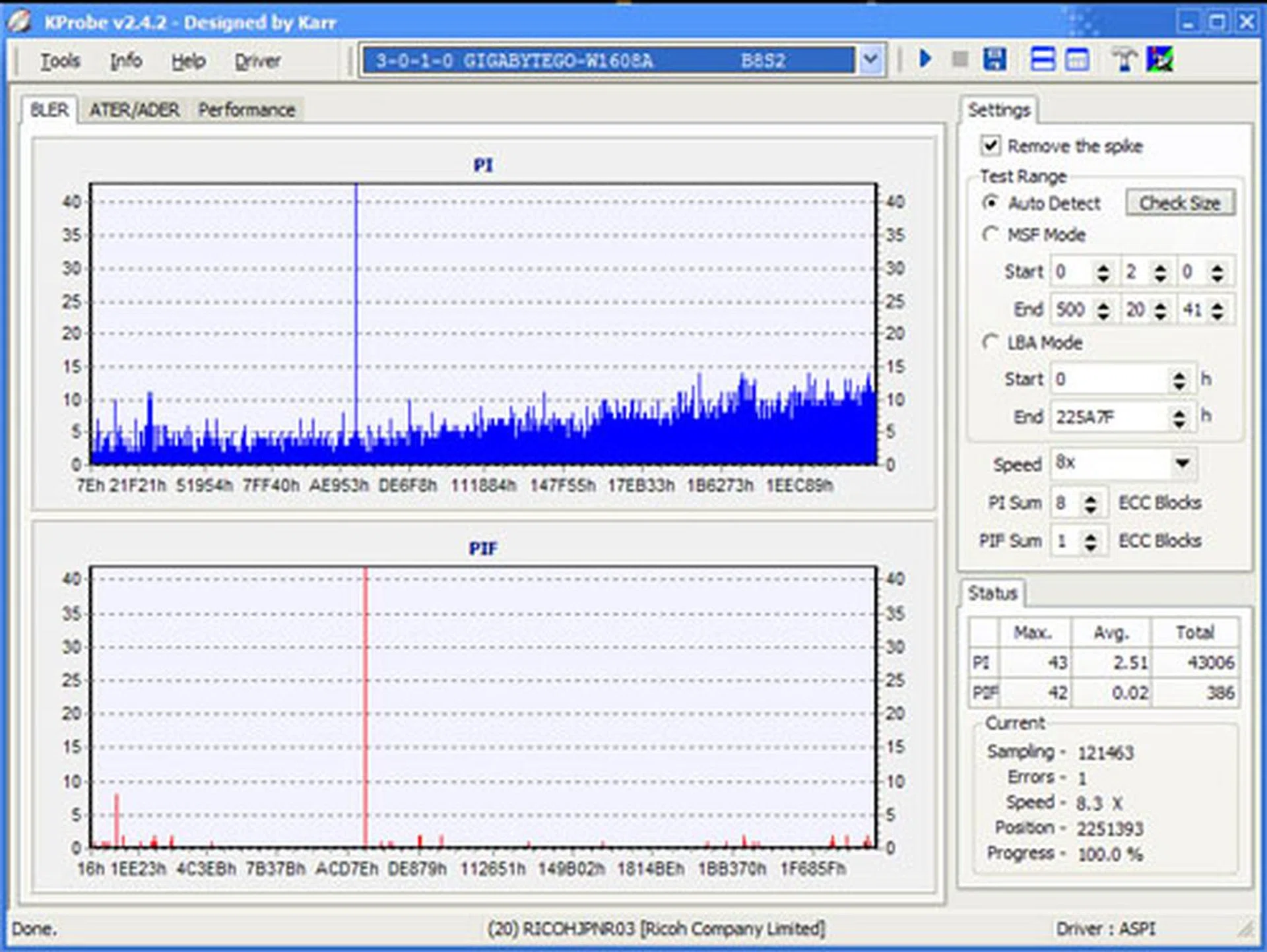
Maxell 16x DVD+R
RICOHJPNR03
2.51
0.02
Maxell 16x DVD-R
RITEKF1
16.55
0.67
Fujifilm 16x DVD+R
PRODISCR05
1.21
0.07
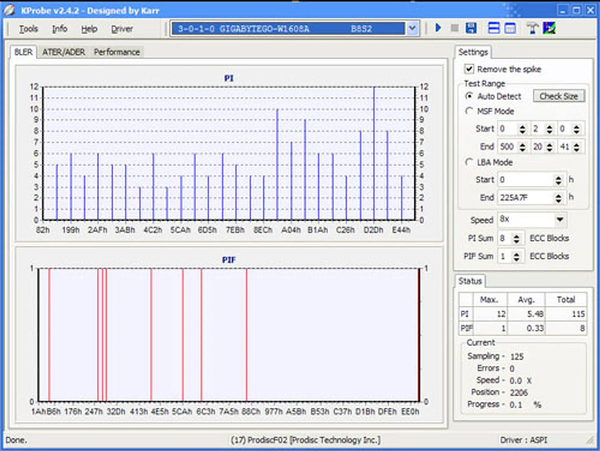
Fujifilm 16x DVD-R
PRODISCF02
5.48
0.33
Sony16x DVD+R
SONYD21
3.79
0.05
Sony 16x DVD-R
SONY16D1
9.40
0.11
Verbatim 8x DVD+R
MCC003
1.20
0.01
Verbatim 8x DVD-R
MCC02RG02
1.48
0.29
TDK 8x DVD+R
RICOHJPNR02
4.80
0.09
Memorex 8x DVD+RW
RITEK008
16.55
0.67
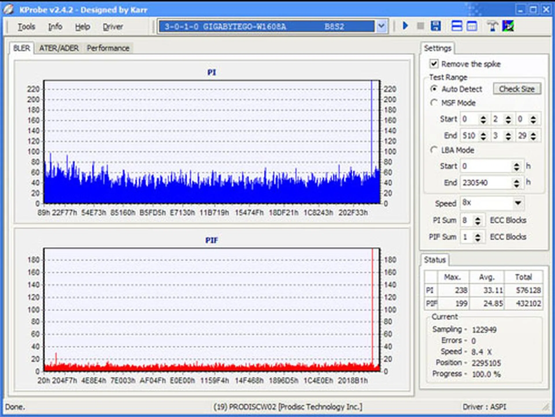
SmartBuy 4x DVD+RW
PRODISCW02
33.11
24.85

Most of the scans we tested for the media written by the GGW-H20L turned out to be very decent. The only blemish was with the SmartBuy 4x DVD+RW. However we have noticed repeated bad KProbe scans with this particular disc for multiple drives and hence it is likely to be specific to the disc rather than any issues with the drive. The following are some of the scans that we got with the GGW-H20L.

Fujifilm 16x DVD-R.

Fujifilm 16x DVD-R.

Maxell 16x DVD+R.

Maxell 16x DVD+R.

Sony 16x DVD+R.

Sony 16x DVD+R.

Verbatim 8x DVD-R.

Verbatim 8x DVD-R.

Memorex 8x DVD+RW.

Memorex 8x DVD+RW.

SmartBuy 4x DVD+RW.

SmartBuy 4x DVD+RW.

Verbatim 2.4x DVD+R Dual Layer.

Verbatim 2.4x DVD+R Dual Layer.

Conclusion

Even with a clear winner in the HD format struggle, Blu-ray movies are anything but mainstream at the moment. Retailers and manufacturers are starting to get their act together, with Blu-ray movies becoming more affordable. The main barrier to adoption however is the need to have a decent HDTV to pair along with the Blu-ray player and that could cost a bundle even with the all time low prices now. For the PC user, a Blu-ray drive has its uses, for data archiving purposes for instance. Those who fancy watching HD movies will also find it an attractive proposition, especially with large widescreen 1080p-capable monitors becoming less expensive nowadays (and significantly cheaper than a HDTV).

LG has continued to produce competitively priced Blu-ray/HD DVD-ROM combo drives despite the poor adoption rates at the moment. The US$260 for the LG looks attractive enough to improve these adoption figures however.

LG has continued to produce competitively priced Blu-ray/HD DVD-ROM combo drives despite the poor adoption rates at the moment. The US$260 for the LG looks attractive enough to improve these adoption figures however.

LG's recent hybrid drives have been a boon to those early adopters with its combination of competitive pricing and multi-format support. When we reviewed the GGC-H20L, we found its price of less than US$300 quite enticing. The GGW-H20L, with its additional Blu-ray writing functionality ups the ante, with online retailers listing it for US$260. Not only does that make it one of the cheapest Blu-ray writer that one can buy at the moment, it is also the fastest. However, one would probably need to have the proper media for such speeds (currently, we only know of the Verbatim 4x BD-R). Read and write speeds for DVD media on the GGW-H20L are quite ordinary but then they are not the main highlights for this drive. Together with the HD DVD-ROM read feature on the LG GGW-H20L, this is one optical drive that may just persuade you onto the Blu-ray bandwagon.

Our articles may contain affiliate links. If you buy through these links, we may earn a small commission.

Share this article